Коллоидное измельчение зерна арахисовый соус Чили измельчение лунного торта начинка грязи кости машина краска асфальт Химический материал шлифовальный станок
Продано за 30 дней:
2 шт.
Всего продаж:
143 шт.
Минимальное количество для заказа:
1 шт.
Коллоидное измельчение зерна арахисовый соус Чили измельчение лунного торта начинка грязи кости машина краска асфальт Химический материал шлифовальный станок
от 37 500.00 ₽ за 1 шт.
-21%
37 500.00 ₽
Доставка по Китаю включена в цену
Оптом
от 1 шт.
37 500.00 ₽
Описание
注:开票另加税点,详情咨询客服!!!


公司承诺:
1.本厂所有产品采用的电机均为纯铜线制作,.所有焊接部分均采用品质焊条焊丝,保修期内如有开焊、变形等产品质量瑕疵,公司无条件退全款或更换同型号新设备,产品保修期均为两年。
2.设备制作完成后厂内试机正常后发货,因设备体积大,重量沉一般用配货物流,运费在发货之前会提前告知客户,如有异议请说明,我们给您找运费较实实在在的的物流。
3.本厂所有产品型号齐全,产品信息里设备规格是常用型号,如需其他型号设备(包括实验设备)可直接联系客服,核算后报给您实实在在的出厂价格。
4.本厂所有设备均可提供现场指导安装调试,成套设备或多年制造机械由我公司技术人员免费上门指导调试。
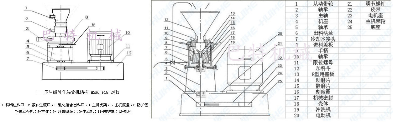
一、概述及用途:
JM-130型和JM-85型胶体磨是对流体、半液体物料进行精细化工研磨处理的机械,本机具有品质的微粉碎、分散、乳化、混合等效能,物料通过本磨加工后粒度可达2-60微米,均质度可达95%以上,是微加工的理想设备。它综合了均质机、球磨机、三辊机、搅拌机等机械的多种性能,效率是上述机械的数倍,可用于食品、医药、化工、化妆品、轻工塑料等行业。
二、工作原理:
通过不同几何形状的定子和转子在高速旋转下的相对运动,被加工物料在自重、气压力及离心力的作用下,通过其环状可变间隙时受到强大的剪切力、摩擦力、撞击力、高频振动等复合力的作用,物料被有效地分散、破碎、乳化、混合,从而得到理想之产品。
三、结构特点:
本机不仅保持了传统胶体磨结构合理、操作简单、维修方便、体积小、重量轻的特点,还具有适应性广、变速简捷,并可对于不同的加工对象更换不同类型的电机等特点。
1、本机主要零件的材料用不锈钢。
2、本机主要工作部分为定子和转子,加工精良。通过定位盘可对定子和转子间隙进行微量调整,配有刻度盘,便于控制,确保产品加工质量。
3、根据不同用途,可选用不同材质的定子和转子,拆装方便。
4、该机转速可以调整,用户可根据物料加工情况向我单位订购合适转速。
乳化胶体磨结构图


硬质合金磨头
四、型号及主要技术参数:






























公司声明:
1.本厂所有产品采用的电机均为纯铜线制作,所有焊接部分均采用品质焊条焊丝,保修期内如有开焊、变形等产品质量瑕疵,公司无条件退全款或更换同型号新设备,产品保修期均为两年。
2.设备制作完成后厂内试机正常后发货,运费在发货之前会提前告知客户,如有异议请说明,我们给您找运费较实实在在的的物流。
3.本厂所有产品型号全,产品信息里设备规格是常用型号,如需其他型号设备(包括实验设备)可直接联系客服,核算后报给您实实在在的出厂价格。
4.本厂所有设备均可提供现场指导安装调试,成套设备或多年制造机械由我公司技术人员免费上门指导调试。







Характеристики
Марка:
Другие
Пункт Нет.:
Шлифовальный станок коллоидной мельницы
Технические характеристики:
85 Тип; 130 Модель; 180 модель; 240 модель; Депозит
Является ли источник трансграничного экспорта исключительным:
Нет
Размер носителя:
980*480
Путешествия:
450
Метод обработки:
Шлифование
Объект действия:
Ротор статора
О продавце
Имя:
Оценка сервиса:
4.0
Оценка логистики:
4.1
Оценка споров и жалоб:
5.0
Оценка предложения:
5.0
Оценка консультации:
2.0
repeatPurchasePercent:
0.3333489999477779
afterSalesExperienceScore:
5.0
Коллоидное измельчение зерна арахисовый соус Чили измельчение лунного торта начинка грязи кости машина краска асфальт Химический материал шлифовальный станок
37 500.00 ₽
37 500.00 ₽